Tørreriopstilling
omkring flis
Cimbrias præsentation af deres tørreri til flis se. Link
Princippet i Cimbrias løsninger her se.

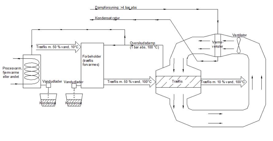
En varmeveksler opvarmer en tørrerikabine med damp fra et kraftværk og varmt damp gennemblæser flis som ligger på et transportbånd. Det vand som nu koger til damp i flisen, og herved skaber et overtryk i tørrerikabinen, udtages nu og via en varmeveksler opvarmes fjernvarmevand.
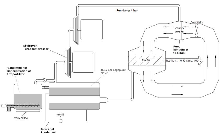
Her tørreri opstilling med Turbokompressor se.

NU udtages dampen fra tørreriet og via en destillationsproces omkring en varmeveksler renses det forurenet destillat og helt rent vand tilledes nu kloak.
Fordelene ved turbokompressions opstillingen er mange. Vigtigst:
Opstillingen kan arbejde hele året, og ikke kun når der er fjernvarmebehov.
At opstillingen kan omsætte den betydelige overskudsstrøm som forekommer i vort el-net og indirekte gøre vindmøller mere attraktive.
At opstillingen kan arbejde uafhængig af et kraftværk.
At el produktionen omkring et kraftværk ikke reduceres ved tørreriopstillingen.
At opstillingen omkring mange træproduktionsvirksomheder at opstillingen der vil overflødiggøre det træ som primært afbrændes, enten i et kraftværk eller udelukkende i en kedel. Dette træ nu kan flyttes til kraftværker hvor træet faktuelt kan forbruges netop når der er et behov for el produktion.
Nhsofts forslag til randers
kraftværk
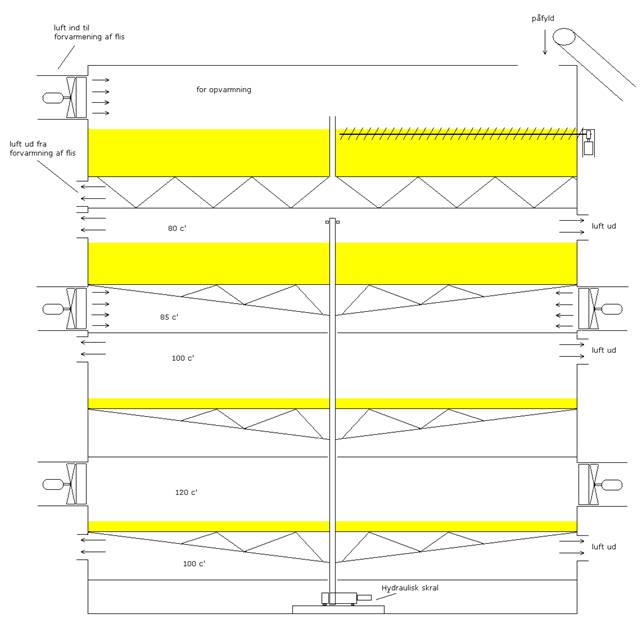
Kornsilo for flistørring se. fig.

Er opbygget med etager for tørring
af flis, med fortørring og nedkøling via absorptionsvarmepumpe mm.

Vippearealer

Princip i cimbrias tørreri til flis
som nu er opsat i randers

